scherpe topketting voor gebruik in vochtige en stoffige omgevingen

De scherpe tandketting is een soort transmissieketting, wordt zijn structuur gekenmerkt door een reeks van afwisselend geassembleerde plaat van de tandketting en gidsplaat, en door de speld of een combinatie van scharnierende elementen verbonden te vormen, is de aangrenzende hoogte scharnierende verbindingen.

Beschrijving

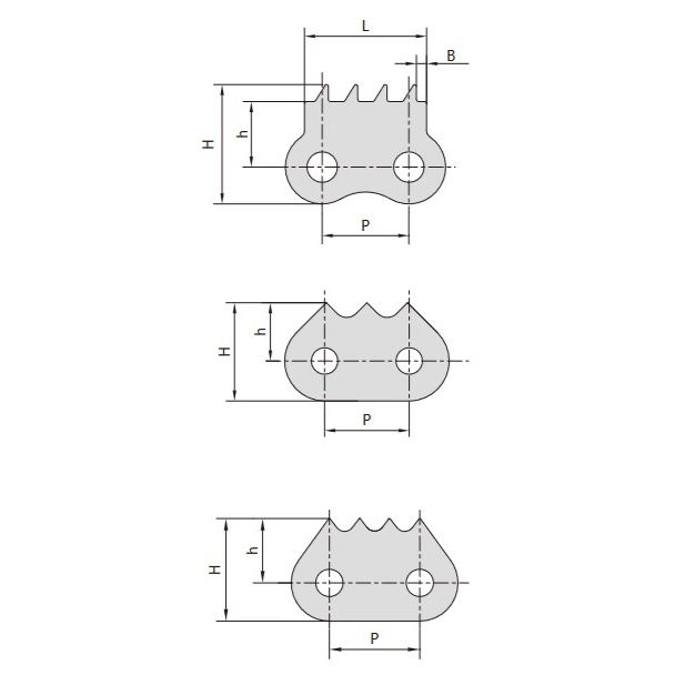
De cusp-ketting, ingedeeld naar geleidingssoort, omvat een extern geleide tandketting, een intern geleide tandketting en een dubbele intern geleide tandketting. Deze kettingtransmissie maakt gebruik van de precieze maaswijdte van ketting- en tandwieltanden om vermogen en beweging over te brengen, waardoor een nauwkeurige gemiddelde overbrengingsverhouding wordt gegarandeerd.

Voordelen

  • Hoog overbrengingsvermogen en sterke overbelastbaarheid
  • Compact transmissieformaat voor dezelfde werkomstandigheden
  • Vereist minder spankracht
  • Werkt betrouwbaar in zware omstandigheden zoals hoge temperatuur, vochtigheid, stof en vervuiling

Nadelen

  • Hogere kosten in vergelijking met andere kettingtypes
  • Gevoelig voor slijtage en rek
  • Slechte transmissie soepelheid, met extra dynamische belasting, trillingen, schokken en lawaai tijdens gebruik
  • Niet geschikt voor toepassingen met snelle omkeringstransmissie

Samenvattend zijn cusp kettingen ideaal voor toepassingen die een hoge krachtoverbrenging vereisen in veeleisende omgevingen, maar ze zijn mogelijk niet geschikt voor taken die frequente snelle omkeringen of minimaal geluid en trillingen vereisen.

Technische parameters

technische tafel scherpe bovenketting

technische tafel scherpe bovenketting