triplex conische kettingwielen 16B-3 ISO rollenketting standaard

Dit ontwerp maakt gebruik van een conische naaf en overeenkomstige conische boring, waardoor het kettingwiel stevig op de as kan worden gemonteerd met behulp van conische borgbussen zonder speling te creëren.
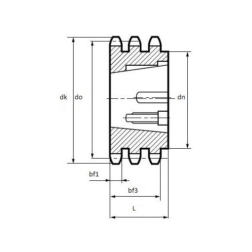
Model: type B 16B-3 conisch kettingwiel
Materiaal: C45, roestvrij staal, gehard staal, enz.
Oppervlaktebehandeling: Tanden gehard, zwarte oxide, verzinkt, elektroforese enz.

Beschrijving

Conische vergrendelingsbus tandwielbiedt een robuuste mechanische passing tussen de tandwielnaaf en de as, waardoor een sterke en betrouwbare verbinding ontstaat voor een soepele en efficiënte krachtoverbrenging. Dit ontwerp minimaliseert energieverlies en verbetert de algehele systeemefficiëntie.

Belangrijkste kenmerken

  • Mechanische passing:Verbindt tandwielnaaf en as veilig met elkaar voor superieure betrouwbaarheid en minder slip.
  • Efficiënte krachtoverbrenging:Soepele werking met minder wrijving en geluid, dankzij de nauwkeurige vormgeving van de tanden.
  • Lange levensduur:Duurzame materialen en een duurzaam ontwerp verlengen de levensduur van kettingwielen en kettingen, waardoor stilstand en onderhoudskosten tot een minimum worden beperkt.
  • Materiaalopties:
    • C45 staal:Evenwicht tussen sterkte en zuinigheid voor algemene toepassingen.
    • Roestvrij staal:Uitstekende weerstand tegen corrosie – ideaal voor zware omgevingen.
    • Gehard staal:Warmtebehandeld voor verbeterde slijtvastheid en duurzaamheid.
  • Minder onderhoud:Minder vervangingen nodig, waardoor de totale operationele kosten dalen.

Technische specificaties

  • ISO-nr:16B-3 (1″ x 17,02mm)
  • Steek:25,4 mm
  • Binnenbreedte:17,02 mm
  • Diameter rol:15,88 mm
  • Breedte tanden:79,6 mm
  • Ba:2,5 mm (radiusbreedte)
  • Rx:26,0 mm (min. tandradius)

Voordelen

  • Sterke en betrouwbare verbinding voor krachtige systemen
  • Minder wrijving en geluid voor een soepelere werking
  • Langere levensduur en lagere onderhoudskosten
  • Veelzijdige materiaalopties voor verschillende omgevingen

Kies onze conische vergrendelingsbus voor superieure duurzaamheid, efficiënte krachtoverbrenging en weinig onderhoud in veeleisende toepassingen.

Technische parameters

triplex conische kettingwielen 16B-3 technische tabel

triplex conische kettingwielen 16B-3 technische tabel